首页
关于我们
产品中心
驱动器
两相步进驱动器
驱电一体式步进电机
三相步进驱动器
电机
步进电机
直线电机
控制器
智能家居
智能空气调节控制器
工业控制系统
运动控制配件
电动滑台
减速器
电源
分割器
电能质量管理
有源滤波
应用方案
服务支持
联系我们
English
首页
关于我们
产品中心
应用方案
服务支持
联系我们
English
请输入搜索内容
搜索
请输入搜索内容
搜索
首页
>
产品详情
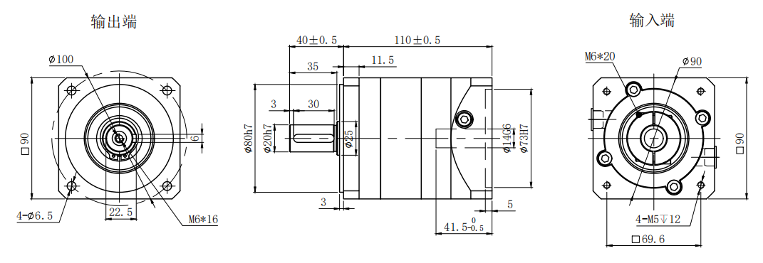
86步进减速器
大力矩
高精度
技术支持
返回列表
产品中心
驱动器
两相步进驱动器
驱电一体式步进电机
三相步进驱动器
电机
步进电机
直线电机
控制器
智能家居
智能空气调节控制器
工业控制系统
运动控制配件
电动滑台
减速器
电源
分割器
电能质量管理
有源滤波
产品描述
电气参数
机械尺寸
技术服务:0755-86569723