-
产品描述
-
电气参数
-
安装尺寸
概述
NDM442是诺科科技针对42/57两相混合式步进推出的数字式驱动器,采用Ti最新DSP技术,内部采用先进的数字滤波控制技术、谐振振动抑制技术和实时精密电流控制技术,使两相混合式步进电机实现精准平稳运行,噪音超小,特别适合于半导体、电子加工设备、激光加工、医疗和小型数控设备。
适用驱动电机:42、57等系列两相混合式步进电机。
参数设定开关说明
1)工作(动态)电流设定
输出峰值电流 | 输出均值电流 | SW1 | SW2 | SW3 |
Default | on | on | on | |
1.5A | 1.07A | off | on | on |
1.9A | 1.36A | on | off | on |
2.3A | 1.64A | off | off | on |
2.7A | 1.93A | on | on | off |
3.2A | 2.28A | off | on | off |
3.7A | 2.64A | on | off | off |
4.2A | 3.00A | off | off | off |
2) 静止(静态)电流设定
静态电流可用SW4拨码开关设定,on表示静态电流设为动态电流的一半, off表示静态电流与动态电流相同。一般用途中应将SW4设成on,使得电机和驱动器的发热减少,可靠性提高。脉冲串停止后约0.4秒左右电流自动减至一半左右(实际值的60%),发热量理论上减至36%。
3)细分设定
NDM442是一款精密型两相混合式步进驱动器,其可提供最大512的细分设定,具体设定如下表所示:
步数/转 | SW5 | SW6 | SW7 | SW8 |
Default | on | on | on | on |
400 | off | on | on | on |
800 | on | off | on | on |
1600 | off | off | on | on |
3200 | on | on | off | on |
6400 | off | on | off | on |
12800 | on | off | off | on |
25600 | off | off | off | on |
1000 | on | on | on | off |
2000 | off | on | on | off |
4000 | on | off | on | off |
5000 | off | off | on | off |
8000 | on | on | off | off |
10000 | off | on | off | off |
20000 | on | off | off | off |
25000 | off | off | off | off |
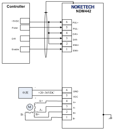
典型接线案列
下图是NDM442采用5VDC共阳接线的典型接线示意图,如果用户的控制器是PLC等,其控制信号是24VDC时,如果采用标准型号NDM442时,需要在信号线上外接2K 1/4W的限流电阻,限流电阻不可以加在电源线上(会导致电机运行不正常),或者直接订购可接24VDC控制信号的对应产品NDM442-24。

采用5VDC共阳接线时的典型应用接线图
电气、机械和环境指标
1. 电气指标
说明 | NDM442 | |||
最小值 | 典型值 | 最大值 | 单位 | |
输出电流 | 1.0 | - | 4.2 | A |
工作电压 | 20 | 24 | 50 | VDC |
控制信号输入电流 | 7 | 10 | 16 | mA |
脉冲频率 | 0 | - | 200 | kHz |
绝缘电阻 | 500 | MΩ | ||
注:控制脉冲频率可根据用户应用要求,最高可接收1MHz的控制脉冲信号。
2. 使用环境及参数
冷却方式 | 自然冷却或强制风冷 | |
使用环境 | 场合 | 不能安装在其他发热的设备旁,要避免粉尘、油污、腐蚀性气体、湿度太大及强振动场所,禁止有可燃气体及导电灰尘。 |
温度 | 0-50℃ | |
湿度 | 40-90%RH | |
振动 | 5.9m/s2MAX | |
保存温度 | -20℃~80℃ | |
重量 | 220克 | |
3. 加强散热方式
1)驱动器的可靠工作温度通常在60℃以内,电机工作温度为80℃以内;
2)建议使用时选择自动半流方式,马达停止时电流自动减一半,以减少电机和驱动器的发热;
3)安装驱动器时请采用竖着侧面安装,使散热齿形成较强的空气对流;必要时机内靠近驱动器处安装风扇,强制散热,保证驱动器在可靠工作温度范围内工作。
机械安装图(单位:毫米)









